大家好!

我们秉承研发创新,快速响应,始终将客户的建议放在第一位,为客户提供满意的产品。

微信扫一扫,加我为朋友。


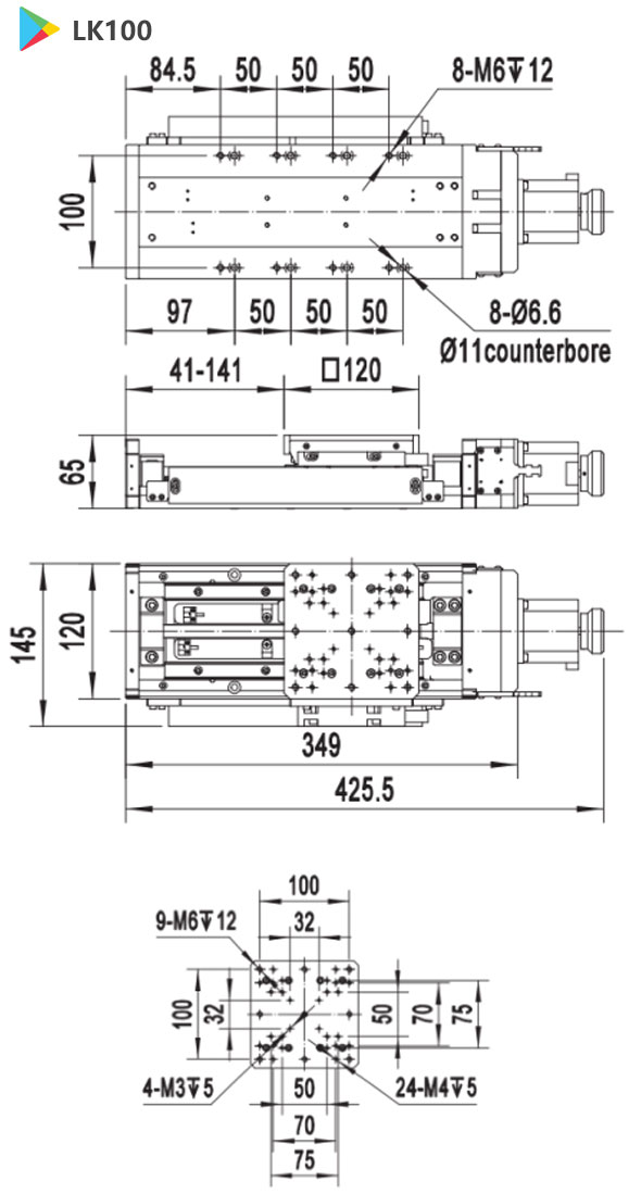
直线滑台 - LK系列

特点:

高精密电动直线滑台

▶U 型铝合金底板,基准面精密铣削,保证整体性能稳定;

▶外置进口光栅尺,闭环分辨率可达 1μm;

▶采用精密级滚珠丝杠,可实现较高的定位精度;

▶采用精密线性滑块导轨,负载能力强,运行性能好;

▶标配两相步进电机,可定制更换伺服电机;

▶可选配防尘罩。

LK系列 - 产品选型表:

更多电动滑台 - 产品分类

电动升降滑台

电动Z轴升降台

电动旋转滑台

精密电动旋转台

电动摆动滑台

电动角位台

电动对位平台

视觉对位平台

控制器及软件

运动控制系统

电动直线滑台

电动X轴平移台

联系国林

客户留言